拉桿伸縮十字濾管
拉桿伸縮十字濾管(以下簡稱十字濾管)適合裝置于水力自動閥(如減壓、泄壓、持壓等)及多噴孔閥或其他主要設備之進口端,具有沉淀、粗濾以防止雜物堵塞閥體,保護閥類或設備之正常使用,并具有拉桿伸縮等功能。
工作原理
拉桿伸縮十字濾管(以下簡稱十字濾管)適合裝置于水力自動閥(如減壓、泄壓、持壓等)及多噴孔閥或其他主要設備之進口端,具有沉淀、粗濾以防止雜物堵塞閥體,保護閥類或設備之正常使用,并具有拉桿伸縮等功能。
結構與特點
1. 主要技術參數
1.1 此產品符合Q/IDIK17-2008拉桿伸縮十字濾管企業標準;
1.2 十字濾管的公稱壓力為 PN10(PN16、PN25);
1.3 密封試驗壓力為1.1MPa(1.76MPa、2.75MPa);
1.4 強度試驗壓力為1.5MPa(2.4MPa 、3.75MPa);
1.5 壓力試驗應符合標準JB/T9092-1999的規定;
1.6 連接法蘭應符合標準GB/T17241.6-98的規定。
性能要求
2.1十字濾管具有伸縮功能,可在一定范圍內補償管道的軸向位移,傳遞軸向推拉力;
2.2十字濾管上部設置手孔或人孔蓋,便于清理垃圾;
2.3十字濾管下部設置手孔或人孔蓋及排污球閥,便于排污沖洗;
2.4 伸縮管用螺柱連接,結構簡單,安裝維護方便
專業術語
十字濾管采用菱形濾網孔
過濾面積:過濾網表面積;
2.通流面積:過濾介質流過過濾網孔的總截面積;
3.開孔濾:通流面積/過濾面積;
3.1十字濾管裝于多噴孔前時,十字濾管濾網開孔面積須為多噴孔開孔面積的2倍以上;
3.2十字濾管裝于多噴孔前時,十字濾管菱形濾網孔通過直徑≤多噴孔噴管最小直徑
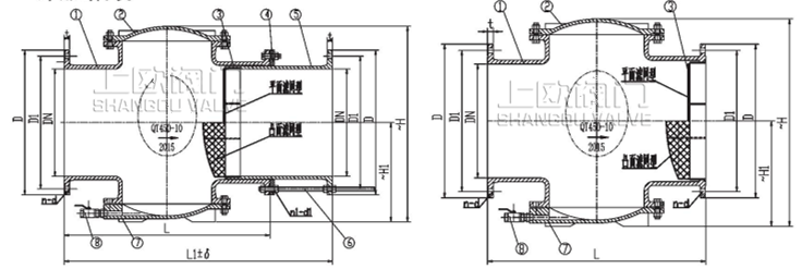
外形尺寸


材質
1. 閥體:球墨鑄鐵,相應的物理化學主要控制指標詳見國家標準GB12227-89。
2. 上、下蓋:球墨鑄鐵,相應的物理化學主要控制指標詳見國家標準GB12227-89。
3. 伸縮管:球墨鑄鐵,相應的物理化學主要控制指標詳見國家標準GB12227-89。
4 .活套法蘭:球墨鑄鐵,相應的物理化學主要控制指標詳見國家標準GB12227-89。
5. 濾網:不銹鋼,相應的物理化學主要控制指標詳見國家標準(GB1220-92)。
6. 螺桿:8.8級(鍍鋅)
檢驗
為保證所提供十字濾管符合本工程要求,供貨方需于交貨前進行規定檢驗,
項目如下:
1. 閥體殼體試驗應按標準GB13927-92的規定。
2. 密封試驗應按標準GB13927-92的規定。
涂裝
閥門油漆涂裝規范_表面處理
本規范規定了鍛造、鑄造以及其他材料的閥門,在涂裝前的表面處理方法。閥門對涂裝要求高,涂裝施工困難,因此,優良的表面處理和適應的油漆品種特別重要。本規范對于其他機械產品的油漆涂裝也有很好的借鑒意義。
對鍛造閥體的閘閥、截止閥、止回閥、過濾器、旋塞閥: a. 閥體材料為奧氏體不銹鋼、雙相不銹鋼的,閥門外表面做酸洗鈍化處理; b. 閥體材料為碳鋼、低合金鋼和合金鋼等易蝕鐵素體金屬的,閥門外表面采用表面磷化處理; c. 閥體材料為銅及銅合金類、鋁及鋁合金等有色金屬和合金的,保持原有表面作為最終完工狀態;
2. 對鍛造閥體的球閥: a. 閥體材料為奧氏體不銹鋼、雙相不銹鋼、各種有色金屬及其合金(銅基、鎳基等合金)的,保持機加工表面作為最終完工狀態; b. 閥體材料為碳鋼、低合金鋼和合金鋼等易蝕鐵素體金屬的,完工表面采用油漆涂裝方法;
3. 對鑄造閥體閥門: a.閥體材料為奧氏體不銹鋼、雙相不銹鋼、各種有色金屬及其合金(銅基、鎳基等合金)的,閥門外表面做酸洗鈍化處理; b. 閥體材料為灰鑄鐵和球墨鑄鐵類的,閥門外表面采用靜電噴涂環氧粉末,色標RAL5015(天藍); c. 其他采用外表面油漆涂裝方法。
4. 其他表面涂裝方法如ENP、鍍鋅、達克羅等方法作為特殊要求,根據需求執行,不列入本規范。
包裝及貯運
閥體內外表面要進行噴砂處理,以除去鐵銹、水分及油等雜質。
2. 十字濾管內外部鑄鐵件應采用無毒環氧樹脂粉體涂裝,防止生銹和流體腐蝕,顏色采用土耳其藍(色號1-46)。
3. 涂層應光滑均勻無缺陷,涂料干后不溶解于水,不影響水質,并不因空氣溫度變化而分解。
4. 涂層厚度應達0.2㎜以上。粉末涂料必須經過檢測,符合飲用水衛生要求。
5. 閥門的包裝及貯運應符合標準JB/T7928的規定。
相關產品
相關新聞
|
||||||||||||||||||||||||
![]() |
||||||||||||||||||||||||
| ||||||||||||||||||||||||





